公开方式: 主动公开 有效期: 长期有效 公开时限: 长期公开 公开范围: 面向全社会 信息索取号: 736375999/2025-18740
建设工程规划许可批后公告牌(万达广场)

信息来源: 自然资源和规划局 发布日期: 2025-09-30 访问量:


建设项目名称

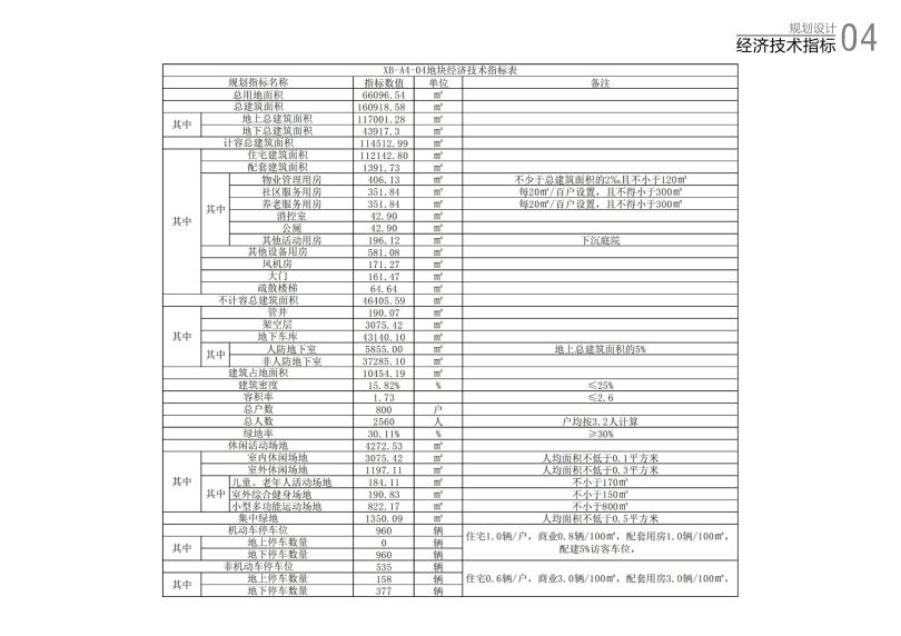
乐平万达广场建设项目(西北片区XB-A4-04地块)

彩色总平面图及指标数据
















建设单位

江西万春房地产开发有限公司


建设工程规划许可证号

建字第3602812025GG0046518


总用地面积

66096.54


建设规模

建筑面积:160918.58㎡。(注:计容面积:114512.99㎡。)


容积率

1.73


建筑密度

15.82%



绿地率

30.11%

鸟瞰图:






停车泊位

机动车停车位960辆 非机动车停车位:535




公建配套要求

物业用房:406.13

社区服务用房:351.84

社区养老用房:351.84


建筑高度

80


建筑功能

商住


联系电话

0798-6831940




相关文档:
相关附件:
关闭
打印

主办单位:乐平市人民政府承办单位:乐平市大数据中心ICP备案号:赣ICP15003826号-2

地址:江西省乐平市大连新区为民服务中心二楼 电话:0798-6568602 电子邮箱:lpic@jdz.gov.cn

政府网站标识码:3602810028 赣公网安备:36020002000383

江西乐平市政府版权所有